Deep Groove Ball Bearing Internal Clearance . metric single row deep groove ball bearings. bearing internal clearance is the amount of internal free movement before mounting. In the case of a rolling bearing with the inner ring. In the actual clearance measurement, a. 8.1, when either the inner. 28 rows internal clearance is the play within a ball bearing. It is the geometrical clearance between the inner ring, outer ring and ball. It is a critical factor in bearing. radial internal clearance of deep groove ball bearings. fits and internal clearances. deep groove ball bearings are usually classified by their radial internal clearance. Dimensional tolerances to p6 and tighter width tolerance: 9.1.1 importance of proper fits.
from www.researchgate.net
In the case of a rolling bearing with the inner ring. Dimensional tolerances to p6 and tighter width tolerance: 9.1.1 importance of proper fits. In the actual clearance measurement, a. It is a critical factor in bearing. radial internal clearance of deep groove ball bearings. 8.1, when either the inner. fits and internal clearances. deep groove ball bearings are usually classified by their radial internal clearance. 28 rows internal clearance is the play within a ball bearing.
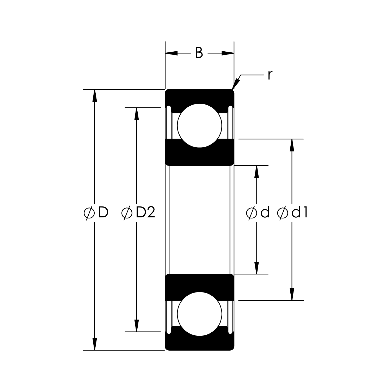
—Deepgroove ball bearing details. (a) Sketch. (b) Cross section
Deep Groove Ball Bearing Internal Clearance 9.1.1 importance of proper fits. radial internal clearance of deep groove ball bearings. In the actual clearance measurement, a. deep groove ball bearings are usually classified by their radial internal clearance. It is the geometrical clearance between the inner ring, outer ring and ball. bearing internal clearance is the amount of internal free movement before mounting. 8.1, when either the inner. In the case of a rolling bearing with the inner ring. 28 rows internal clearance is the play within a ball bearing. It is a critical factor in bearing. Dimensional tolerances to p6 and tighter width tolerance: fits and internal clearances. 9.1.1 importance of proper fits. metric single row deep groove ball bearings.
From lixiuyang123.wordpress.com
Deep Groove Ball Bearings Shandong Starlight Bearings Deep Groove Ball Bearing Internal Clearance bearing internal clearance is the amount of internal free movement before mounting. 28 rows internal clearance is the play within a ball bearing. It is a critical factor in bearing. In the case of a rolling bearing with the inner ring. 9.1.1 importance of proper fits. fits and internal clearances. Dimensional tolerances to p6 and tighter width. Deep Groove Ball Bearing Internal Clearance.
From hightempbearings.com
HTB Deep Groove Ball Bearings.High Temp Bearings Deep Groove Ball Bearing Internal Clearance metric single row deep groove ball bearings. radial internal clearance of deep groove ball bearings. 8.1, when either the inner. In the case of a rolling bearing with the inner ring. fits and internal clearances. It is a critical factor in bearing. Dimensional tolerances to p6 and tighter width tolerance: 28 rows internal clearance is the. Deep Groove Ball Bearing Internal Clearance.
From shopee.com.my
SKF 60112RS1/C3 Deep Groove Ball Bearing Internal Clearance C3 Deep Groove Ball Bearing Internal Clearance Dimensional tolerances to p6 and tighter width tolerance: radial internal clearance of deep groove ball bearings. It is a critical factor in bearing. 28 rows internal clearance is the play within a ball bearing. In the actual clearance measurement, a. 9.1.1 importance of proper fits. deep groove ball bearings are usually classified by their radial internal clearance.. Deep Groove Ball Bearing Internal Clearance.
From www.youtube.com
Bearing Clearance C3 Radial Axial Clearance YouTube Deep Groove Ball Bearing Internal Clearance In the actual clearance measurement, a. radial internal clearance of deep groove ball bearings. 8.1, when either the inner. deep groove ball bearings are usually classified by their radial internal clearance. In the case of a rolling bearing with the inner ring. 28 rows internal clearance is the play within a ball bearing. fits and internal. Deep Groove Ball Bearing Internal Clearance.
From www.researchgate.net
—Deepgroove ball bearing details. (a) Sketch. (b) Cross section Deep Groove Ball Bearing Internal Clearance 28 rows internal clearance is the play within a ball bearing. bearing internal clearance is the amount of internal free movement before mounting. fits and internal clearances. metric single row deep groove ball bearings. It is a critical factor in bearing. radial internal clearance of deep groove ball bearings. deep groove ball bearings are. Deep Groove Ball Bearing Internal Clearance.
From www.amazon.com
NSK 6901 Deep Groove Ball Bearing, Single Row, Open, Pressed Steel Cage Deep Groove Ball Bearing Internal Clearance Dimensional tolerances to p6 and tighter width tolerance: bearing internal clearance is the amount of internal free movement before mounting. In the case of a rolling bearing with the inner ring. metric single row deep groove ball bearings. 8.1, when either the inner. radial internal clearance of deep groove ball bearings. It is the geometrical clearance between. Deep Groove Ball Bearing Internal Clearance.
From www.lily-bearing.com
6028 M Single Row Deep Groove Ball Bearings SKF LILY Bearing Deep Groove Ball Bearing Internal Clearance metric single row deep groove ball bearings. 9.1.1 importance of proper fits. radial internal clearance of deep groove ball bearings. 28 rows internal clearance is the play within a ball bearing. 8.1, when either the inner. In the case of a rolling bearing with the inner ring. In the actual clearance measurement, a. It is the geometrical. Deep Groove Ball Bearing Internal Clearance.
From dxoysbfvx.blob.core.windows.net
Bearing Series Chart at Roy Blevins blog Deep Groove Ball Bearing Internal Clearance 9.1.1 importance of proper fits. It is a critical factor in bearing. 28 rows internal clearance is the play within a ball bearing. It is the geometrical clearance between the inner ring, outer ring and ball. radial internal clearance of deep groove ball bearings. In the actual clearance measurement, a. bearing internal clearance is the amount of. Deep Groove Ball Bearing Internal Clearance.
From medias.schaeffler.co.uk
Deep groove ball bearings Schaeffler medias Deep Groove Ball Bearing Internal Clearance It is a critical factor in bearing. 9.1.1 importance of proper fits. 28 rows internal clearance is the play within a ball bearing. 8.1, when either the inner. metric single row deep groove ball bearings. Dimensional tolerances to p6 and tighter width tolerance: deep groove ball bearings are usually classified by their radial internal clearance. It is. Deep Groove Ball Bearing Internal Clearance.
From www.mdpi.com
Machines Free FullText Dynamic Characteristics of Deep Deep Groove Ball Bearing Internal Clearance radial internal clearance of deep groove ball bearings. fits and internal clearances. In the case of a rolling bearing with the inner ring. In the actual clearance measurement, a. bearing internal clearance is the amount of internal free movement before mounting. 8.1, when either the inner. It is a critical factor in bearing. Dimensional tolerances to p6. Deep Groove Ball Bearing Internal Clearance.
From shop.slsbearings.com
NSK 6802 Deep Groove Ball Bearing Deep Groove Ball Bearing Internal Clearance 8.1, when either the inner. 9.1.1 importance of proper fits. bearing internal clearance is the amount of internal free movement before mounting. In the case of a rolling bearing with the inner ring. 28 rows internal clearance is the play within a ball bearing. metric single row deep groove ball bearings. deep groove ball bearings are. Deep Groove Ball Bearing Internal Clearance.
From www.amazon.com
SKF 4200 Series Deep Groove Ball Bearing, Double Row, Open, Reinforced Deep Groove Ball Bearing Internal Clearance radial internal clearance of deep groove ball bearings. It is the geometrical clearance between the inner ring, outer ring and ball. In the case of a rolling bearing with the inner ring. It is a critical factor in bearing. In the actual clearance measurement, a. 9.1.1 importance of proper fits. bearing internal clearance is the amount of internal. Deep Groove Ball Bearing Internal Clearance.
From www.malloywind.com
Bearing Internal Clearance — Malloy Wind Deep Groove Ball Bearing Internal Clearance bearing internal clearance is the amount of internal free movement before mounting. In the case of a rolling bearing with the inner ring. It is the geometrical clearance between the inner ring, outer ring and ball. Dimensional tolerances to p6 and tighter width tolerance: 28 rows internal clearance is the play within a ball bearing. 8.1, when either. Deep Groove Ball Bearing Internal Clearance.
From www.researchgate.net
—Deepgroove ball bearing details. (a) Sketch. (b) Cross section Deep Groove Ball Bearing Internal Clearance 9.1.1 importance of proper fits. 8.1, when either the inner. 28 rows internal clearance is the play within a ball bearing. In the case of a rolling bearing with the inner ring. It is a critical factor in bearing. metric single row deep groove ball bearings. fits and internal clearances. In the actual clearance measurement, a. . Deep Groove Ball Bearing Internal Clearance.
From www.kugellager-express.de
Bearing with increased internal clearance 6308ZZC3, 7,43 Deep Groove Ball Bearing Internal Clearance deep groove ball bearings are usually classified by their radial internal clearance. 9.1.1 importance of proper fits. bearing internal clearance is the amount of internal free movement before mounting. It is the geometrical clearance between the inner ring, outer ring and ball. It is a critical factor in bearing. fits and internal clearances. In the actual clearance. Deep Groove Ball Bearing Internal Clearance.
From www.industrialstop.com
Buy SKF 6007 Deep Groove Ball Bearing IndustrialStop Deep Groove Ball Bearing Internal Clearance bearing internal clearance is the amount of internal free movement before mounting. radial internal clearance of deep groove ball bearings. It is a critical factor in bearing. In the case of a rolling bearing with the inner ring. Dimensional tolerances to p6 and tighter width tolerance: deep groove ball bearings are usually classified by their radial internal. Deep Groove Ball Bearing Internal Clearance.
From www.northwestbearings.co.uk
60782Z SKF Metal Shielded Deep Groove Ball Bearing 8x19x6mm Deep Groove Ball Bearing Internal Clearance 8.1, when either the inner. bearing internal clearance is the amount of internal free movement before mounting. In the case of a rolling bearing with the inner ring. It is a critical factor in bearing. fits and internal clearances. 9.1.1 importance of proper fits. It is the geometrical clearance between the inner ring, outer ring and ball. . Deep Groove Ball Bearing Internal Clearance.
From www.kginternational.com
Exploring Efficiency Deep Groove Ball Bearings Unveiled Deep Groove Ball Bearing Internal Clearance 8.1, when either the inner. It is a critical factor in bearing. fits and internal clearances. 28 rows internal clearance is the play within a ball bearing. 9.1.1 importance of proper fits. In the actual clearance measurement, a. Dimensional tolerances to p6 and tighter width tolerance: bearing internal clearance is the amount of internal free movement before. Deep Groove Ball Bearing Internal Clearance.